| Gripbelts
Sheaves with Split Taper Bushings |
B |
¡¡ |
|
|
For Use with All
"A" and "B" section Belts |
|
|
|
|
Standard Keyseats |
|
| Table
No.1 |
|
|
|
|
| Bore Range |
Keyseat |
|
|
| 3/4" ¡ª 7/8" |
3/16" x 3/32" |
|
|
| 1 5/16 ¡ª 1 1/4 |
1/4x 1/8 |
|
|
| 1 5/16 ¡ª1 3/8 |
5/16 x 5/32 |
|
|
| 1 7/16 ¡ª13/4 |
3/8 x 3/16 |
|
|
| 1 13/16 ¡ª 2 1/4 |
1/2 x 1/4 |
|
|
| 2 5/16 ¡ª 2 3/4 |
5/8 x 5/16 |
|
|
| 2 13/16 ¡ª 3 1/4 |
3/4 x 3/8 |
|
|
| 3 3/8¡ª3 3/4 |
7/8 x 7/16 |
|
|
| 1 3/8 Bore Bushing also available with 3/8 ¡Á3/16" Keyseat. |
|
|
|
|
|
|
|
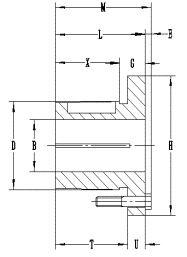
| Table
No.2 |
Bushing Dimensions |
¡¡ |
¡¡ |
¡¡ |
¡¡ |
|
| Part No. |
#REF! |
Bore Range |
Wt.Lbs. |
|
| M |
L |
G |
X |
E |
T |
U |
D |
H |
|
| Q1 |
2 25/32" |
2 1/2" |
3/4" |
1 3/4" |
9/32" |
1 31/32" |
17/32" |
2 7/8" |
4 1/8" |
3/4£2 11/16" |
3 1/2 |
|
|
|
| R1 |
3 5/32 |
2 7/8 |
7/8 |
2 |
9/32 |
21/4 |
5/8" |
4 |
5 3/8 |
1 1/8£3 3/4 |
7 1/2 |
|
|
|
| Q2 |
3 25/32" |
3 1/2" |
3/4" |
2 3/4" |
9/32" |
2 31/32" |
17/32" |
2 7/8" |
4 1/8" |
1"¡ª2 5/8" |
4 1/2 |
|
|
|
| R2 |
5 5/32 |
4 |
7/8 |
4 |
9/32 |
4 1/4 |
5/8 |
4 |
5 3/8 |
1 3/8¡ª3 5/8 |
11 |
|
|
|
| S1 |
4 3/4 |
4 3/8 |
1 1/16 |
3 5/16 |
3/8 |
3 5/8 |
3/4 |
4 5/8 |
6 3/8 |
1 11/16¡ª4 1/4 |
13 1/2 |
|
| U0 |
5 23/32 |
5 1/4 |
1 1/2 |
3 3/4 |
15/32 |
4 3/16 |
1 1/16 |
6 |
8 3/8 |
2 3/8¡ª3 3/16 |
30 |
|
| U0 |
5 13/32 |
4 15/16 |
1 3/16 |
3 3/4 |
15/32 |
4 3/16 |
3/4 |
6 |
8 3/8 |
3 1/4¡ª5 1/2 |
27 |
|
|
|
|
|
|
|
|
|
|
|
|
|
|
|
|
|
|
|
|
|
|
|
|
|
|
|
|
|
|
|
|
|
|
|
|
|
|
|
|
|
|
|
|
|
| Table
No.3 |
Specifications¡ªStock "B" Sheaves |
|
| DIAMETERS |
2
GROOVES, F = 1 3/4" |
|
| Datum "A" |
Datum "B" |
Outside |
Inside |
Part
Number |
Type |
Dimensions |
Wt.
Less Bush. |
|
| Sheave |
Bushing |
OL |
L |
P |
C |
H |
G |
X |
E |
|
|
| 5.0" |
5.4" |
5.75" |
¡ª |
2B54Q |
Q1 |
5 |
2 25/32" |
2 1/2" |
3/4" |
0" |
4 1/8" |
¡ª |
1 3/4" |
9/32" |
6.0 |
|
| 5.2 |
5.6 |
5.95 |
¡ª |
2B56Q |
Q1 |
5 |
2 25/32 |
2 1/2 |
3/4 |
0 |
4 1/8 |
¡ª |
1 3/4 |
9/32 |
7.3 |
|
| 5.4 |
5.8 |
6.15 |
¡ª |
2B58Q |
Q1 |
5 |
2 25/32 |
2 1/2 |
3/4 |
0 |
4 1/8 |
¡ª |
1 3/4 |
9/32 |
7.9 |
|
| 5.6 |
6.0 |
6.35 |
¡ª |
2B60Q |
Q1 |
5 |
2 25/32 |
2 1/2 |
3/4 |
0 |
4 1/8 |
¡ª |
1 3/4 |
9/32 |
8.9 |
|
| ¡¡ |
¡¡ |
|
¡¡ |
|
¡¡ |
|
¡¡ |
|
¡¡ |
|
¡¡ |
¡¡ |
¡¡ |
|
¡¡ |
|
| 5.8 |
6.2 |
6.55 |
¡ª |
2B62Q |
Q1 |
5 |
2 25/32 |
2 1/2 |
3/4 |
0 |
4 1/8 |
¡ª |
1 3/4 |
9/32 |
9.4 |
|
| 6.0 |
6.4 |
6.75 |
¡ª |
2B64Q |
Q1 |
5 |
2 25/32 |
2 1/2 |
3/4 |
0 |
4 1/8 |
¡ª |
1 3/4 |
9/32 |
10.1 |
|
| 6.2 |
6.6 |
6.95 |
¡ª |
2B66Q |
Q1 |
5 |
2 25/32 |
2 1/2 |
3/4 |
0 |
4 1/8 |
¡ª |
1 3/4 |
9/32 |
11.1 |
|
| 6.4 |
6.8 |
7.15 |
¡ª |
2B68Q |
Q1 |
5 |
2 25/32 |
2 1/2 |
3/4 |
0 |
4 1/8 |
¡ª |
1 3/4 |
9/32 |
12.3 |
|
| ¡¡ |
¡¡ |
|
¡¡ |
|
¡¡ |
|
¡¡ |
|
¡¡ |
|
¡¡ |
¡¡ |
¡¡ |
|
¡¡ |
|
| 15.0 |
15.4 |
15.75 |
13 7/8" |
2B154R |
R1 |
16-Arm |
3 5/32 |
2 7/8 |
1 |
1/8 |
5 3/8 |
7/8" |
2 |
9/32 |
30.6 |
|
| 15.6 |
16 |
16.35 |
14 1/2 |
2B160R |
R1 |
16-Arm |
3 5/32 |
2 7/8 |
1 |
1/8 |
5 3/8 |
7/8 |
2 |
9/32 |
32.0 |
|
| 18.0 |
18.4 |
18.75 |
16 7/8 |
2B184R |
R1 |
16-Arm |
3 5/32 |
2 7/8 |
1 |
1/8 |
5 3/8 |
7/8 |
2 |
9/32 |
39.1 |
|
| 19.5 |
20.0 |
20.35 |
18 1/2 |
2B200R |
R1 |
16-Arm |
3 5/32 |
2 7/8 |
1 |
1/8 |
5 3/8 |
7/8 |
2 |
9/32 |
43.5 |
|
| 24.5 |
25 |
25.35 |
23 1/2 |
2B250R |
R1 |
16-Arm |
3 5/32 |
2 7/8 |
1 |
1/8 |
5 3/8 |
7/8 |
2 |
9/32 |
58.0 |
|
| 29.5 |
30.0 |
30.35 |
28 1/2 |
2B300R |
R1 |
16-Arm |
3 5/32 |
2 7/8 |
1 |
1/8 |
5 3/8 |
7/8 |
2 |
9/32 |
81.0 |
|
| 37.5 |
38.0 |
38.35 |
36 1/2 |
2B380R |
R1 |
16-Arm |
3 5/32 |
2 7/8 |
1 |
1/8 |
5 3/8 |
7/8 |
2 |
9/32 |
92.0 |
|
| Table
No.4 |
¡¡ |
¡¡ |
¡¡ |
¡¡ |
¡¡ |
¡¡ |
¡¡ |
¡¡ |
¡¡ |
¡¡ |
¡¡ |
¡¡ |
¡¡ |
¡¡ |
|
| DIAMETERS |
3
GROOVES, F = 21/2" |
|
| Datum "A" |
Datum "B" |
Outside |
Inside |
Part
Number |
Type |
Dimensions |
Wt.
Less Bush. |
|
| Sheave |
Bushing |
OL |
L |
P |
C |
H |
G |
X |
E |
|
|
| 5.0" |
5.4" |
5.75" |
3 7/8" |
3B54Q |
Q1 |
5 |
3 17/32" |
2 1/2" |
3/4" |
3/4" |
4 1/8" |
¡ª |
1 3/4" |
9/32" |
7.9 |
|
| 5.2 |
5.6 |
5.95 |
4 1/16 |
3B56Q |
Q1 |
5 |
3.5 |
2 1/2 |
3/4 |
3/4 |
4 1/8 |
¡ª |
1 3/4 |
9/32 |
9.0 |
|
| 5.4 |
5.8 |
6.15 |
4 1/4 |
3B58Q |
Q1 |
13-Web |
3 5/32 |
2 1/2 |
3/8 |
3/8 |
4 1/8 |
3/4" |
1 3/4 |
9/32 |
9.4 |
|
| 5.6 |
6.0 |
6.35 |
4 7/16 |
3B60Q |
Q1 |
13-Web |
3 5/32 |
2 1/2 |
3/8 |
3/8 |
4 1/8 |
3/4 |
1 3/4 |
9/32 |
10.4 |
|
| ¡¡ |
¡¡ |
|
¡¡ |
|
¡¡ |
|
¡¡ |
|
¡¡ |
|
¡¡ |
¡¡ |
¡¡ |
|
¡¡ |
|
| 5.8 |
6.2 |
6.55 |
4 11/16 |
3B62Q |
Q1 |
13-Web |
3 5/32 |
2 1/2 |
3/8 |
3/8 |
4 1/8 |
3/4 |
1 3/4 |
9/32 |
11.3 |
|
| 6.0 |
6.4 |
6.75 |
4 7/8 |
3B64Q |
Q1 |
13-Web |
3 5/32 |
2 1/2 |
3/8 |
3/8 |
4 1/8 |
3/4 |
1 3/4 |
9/32 |
12.1 |
|
| 6.2 |
6.6 |
6.95 |
5 1/16 |
3B66Q |
Q1 |
13-Web |
3 5/32 |
2 1/2 |
3/8 |
3/8 |
4 1/8 |
3/4 |
1 3/4 |
9/32 |
13.0 |
|
| 6.4 |
6.8 |
7.15 |
5 1/4 |
3B68Q |
Q1 |
13-Web |
3 5/32 |
2 1/2 |
3/8 |
3/8 |
4 1/8 |
3/4 |
1 3/4 |
9/32 |
14.3 |
|
| ¡¡ |
¡¡ |
|
¡¡ |
|
¡¡ |
|
¡¡ |
|
¡¡ |
|
¡¡ |
¡¡ |
¡¡ |
|
¡¡ |
|
| 15.0 |
15.4 |
15.75 |
13 7/8 |
3B154R |
R1 |
13-Arm |
3 13/32 |
2 7/8 |
5/8 |
1/4 |
5 3/8 |
7/8 |
2 |
9/32 |
35.5 |
|
| 15.6 |
16 |
16.35 |
14 1/2 |
3B160R |
R1 |
13-Arm |
3 13/32 |
2 7/8 |
5/8 |
1/4 |
5 3/8 |
7/8 |
2 |
9/32 |
38.0 |
|
| 18.0 |
18.4 |
18.75 |
16 7/8 |
3B184R |
R1 |
13-Arm |
3 13/32 |
2 7/8 |
5/8 |
1/4 |
5 3/8 |
7/8 |
2 |
9/32 |
44.8 |
|
| 19.5 |
20.0 |
20.35 |
18 1/2 |
3B200R |
R1 |
13-Arm |
3 13/32 |
2 7/8 |
5/8 |
1/4 |
5 3/8 |
7/8 |
2 |
9/32 |
50.3 |
|
| 24.5 |
25 |
25.35 |
23 1/2 |
3B250R |
R1 |
13-Arm |
3 13/32 |
2 7/8 |
5/8 |
1/4 |
5 3/8 |
7/8 |
2 |
9/32 |
65.0 |
|
| 29.5 |
30.0 |
30.35 |
28 1/2 |
3B300R |
R1 |
13-Arm |
3 13/32 |
2 7/8 |
5/8 |
1/4 |
5 3/8 |
7/8 |
2 |
9/32 |
89.0 |
|
| 37.5 |
38.0 |
38.35 |
36 1/2 |
3B380R |
R1 |
13-Arm |
3 13/32 |
2 7/8 |
5/8 |
1/4 |
5 3/8 |
7/8 |
2 |
9/32 |
106 |
|
| Table
No.5 |
|
|
|
|
|
| DIMETERS |
4 GROOVES,F=3 1/4" |
|
| Datum "A" |
Datum "B" |
Outside |
Inside |
Part
Number |
Type |
Dimensions |
Wt.
Less Bush. |
|
| Sheave |
Bushing |
OL |
L |
P |
C |
H |
G |
X |
E |
|
|
| 5.2 |
5.6 |
5.95 |
4 1/16 |
4B56Q |
Q1 |
5 |
4 9/32 |
2 1/2 |
3/4 |
1 1/2 |
4 1/8 |
¡ª |
1 3/4 |
9/32 |
10.5 |
|
| 5.4 |
5.8 |
6.15 |
4 1/4 |
4B58Q |
Q1 |
13-Web |
3 17/32 |
2 1/2 |
0 |
3/4 |
4 1/8 |
3/4" |
1 3/4 |
9/32 |
11.5 |
|
| 5.6 |
6.0 |
6.35 |
4 7/16 |
4B60Q |
Q1 |
13-Web |
3 17/32 |
2 1/2 |
0 |
3/4 |
4 1/8 |
3/4 |
1 3/4 |
9/32 |
12.6 |
|
| ¡¡ |
¡¡ |
|
¡¡ |
|
¡¡ |
|
¡¡ |
|
¡¡ |
|
¡¡ |
¡¡ |
¡¡ |
|
¡¡ |
|
| 5.8 |
6.2 |
6.55 |
4 11/16 |
4B62Q |
Q1 |
13-Web |
3 17/32 |
2 1/2 |
0 |
3/4 |
4 1/8 |
3/4 |
1 3/4 |
9/32 |
12.6 |
|
| 6 |
6.4 |
6.75 |
4 7/8 |
4B64Q |
Q1 |
13-Web |
3 17/32 |
2 1/2 |
0 |
3/4 |
4 1/8 |
3/4 |
1 3/4 |
9/32 |
14.1 |
|
| 6.2 |
6.6 |
6.95 |
5 1/16 |
4B66Q |
Q1 |
13-Web |
3 17/32 |
2 1/2 |
0 |
3/4 |
4 1/8 |
3/4 |
1 3/4 |
9/32 |
14.8 |
|
| 6.4 |
6.8 |
7.15 |
5 1/4 |
4B68Q |
Q1 |
13-Web |
3 17/32 |
2 1/2 |
0 |
3/4 |
4 1/8 |
3/4 |
1 3/4 |
9/32 |
16.9 |
|
| ¡¡ |
¡¡ |
|
¡¡ |
|
¡¡ |
|
¡¡ |
|
¡¡ |
|
¡¡ |
¡¡ |
¡¡ |
|
¡¡ |
|
| 15.0 |
15.4 |
15.75 |
13 7/8 |
4B154R |
R1 |
13-Arm |
3 25/32 |
2 7/8 |
1/4 |
5/8 |
5 3/8 |
7/8 |
2 |
9/32 |
40.1 |
|
| 15.6 |
16 |
16.35 |
14 1/2 |
4B160R |
R1 |
13-Arm |
3 25/32 |
2 7/8 |
1/4 |
5/8 |
5 3/8 |
7/8 |
2 |
9/32 |
44.0 |
|
| 18 |
18.4 |
18.75 |
16 7/8 |
4B184R |
R1 |
13-Arm |
3 25/32 |
2 7/8 |
1/4 |
5/8 |
5 3/8 |
7/8 |
2 |
9/32 |
50.3 |
|
| 19.5 |
20 |
20.35 |
18 1/2 |
4B200R |
R1 |
13-Arm |
3 25/32 |
2 7/8 |
1/4 |
5/8 |
5 3/8 |
7/8 |
2 |
9/32 |
54.0 |
|
| 24.5 |
25.0 |
25.35 |
23 1/2 |
4B250R |
R1 |
13-Arm |
3 25/32 |
2 7/8 |
1/4 |
5/8 |
5 3/8 |
7/8 |
2 |
9/32 |
71.0 |
|
| 29.5 |
30 |
30.35 |
28 1/2 |
4B300R |
R1 |
13-Arm |
3 25/32 |
2 7/8 |
1/4 |
5/8 |
5 3/8 |
7/8 |
2 |
9/32 |
99.0 |
|
| 37.5 |
38.0 |
38.35 |
36 1/2 |
4B380R |
R1 |
13-Arm |
3 25/32 |
2 7/8 |
1/4 |
5/8 |
5 3/8 |
7/8 |
2 |
9/32 |
126 |
|
| Table No.6 |
|
|
|
|
| DIAMETERS |
5 GROOVES, F = 4" |
|
| Datum "A" |
Datum "B" |
Outside |
Inside |
Part
Number |
Type |
Dimensions |
Wt.
Less Bush. |
|
| Sheave |
Bushing |
OL |
L |
P |
C |
H |
G |
X |
E |
|
|
| 6.6" |
7.0" |
7.35" |
5 1/2" |
5B70R |
R1 |
15-Web |
4 5/32" |
2 7/8" |
1/8" |
1" |
5 3/8" |
7/8" |
2" |
9/32" |
17.0 |
|
| 7.0 |
7.4 |
7.75 |
5 7/8 |
5B74R |
R1 |
15-Web |
4 5/32 |
2 7/8 |
1/8 |
1 |
5 3/8 |
7/8 |
2 |
9/32 |
20.3 |
|
| 7.6 |
8.0 |
8.35 |
6 1/2 |
5B80R |
R1 |
15-Web |
4 5/32 |
2 7/8 |
1/8 |
1 |
5 3/8 |
7/8 |
2 |
9/32 |
24.8 |
|
| 8.2 |
8.6 |
8.95 |
7 1/16 |
5B86R |
R1 |
15-Web |
4 5/32 |
2 7/8 |
1/8 |
1 |
5 3/8 |
7/8 |
2 |
9/32 |
27.3 |
|
| 8.6 |
9.0 |
9.35 |
7 1/2 |
5B90R |
R1 |
15-Web |
4 5/32 |
2 7/8 |
1/8 |
1 |
5 3/8 |
7/8 |
2 |
9/32 |
29.1 |
|
| ¡¡ |
¡¡ |
|
¡¡ |
|
¡¡ |
|
¡¡ |
|
¡¡ |
|
¡¡ |
¡¡ |
¡¡ |
|
¡¡ |
|
| 9.0 |
9.4 |
9.75 |
7 7/8 |
5B94R |
R1 |
15-Web |
4 5/32 |
2 7/8 |
1/8 |
1 |
5 3/8 |
7/8 |
2 |
9/32 |
30.0 |
|
| 10.6 |
11.0 |
11.35 |
9 1/2 |
5B110R |
R1 |
15-Arm |
4 5/32 |
2 7/8 |
1/8 |
1 |
5 3/8 |
7/8 |
2 |
9/32 |
32.8 |
|
| 12 |
12.4 |
12.75 |
10 7/8 |
5B124R |
R1 |
15-Arm |
4 5/32 |
2 7/8 |
1/8 |
1 |
5 3/8 |
7/8 |
2 |
9/32 |
36.0 |
|
| 13.2 |
13.6 |
13.95 |
12 1/16 |
5B136R |
R1 |
15-Arm |
4 5/32 |
2 7/8 |
1/8 |
1 |
5 3/8 |
7/8 |
2 |
9/32 |
40.3 |
|
| 15.0 |
15.4 |
15.75 |
13 7/8 |
5B154R |
R1 |
15-Arm |
4 5/32 |
2 7/8 |
1/8 |
1 |
5 3/8 |
7/8 |
2 |
9/32 |
45.0 |
|
| ¡¡ |
¡¡ |
|
¡¡ |
|
¡¡ |
|
¡¡ |
|
¡¡ |
|
¡¡ |
¡¡ |
¡¡ |
|
¡¡ |
|
| 15.6 |
16 |
16.35 |
14 1/2 |
5B160R |
R1 |
15-Arm |
4 5/32 |
2 7/8 |
1/8 |
1 |
5 3/8 |
7/8 |
2 |
9/32 |
48.0 |
|
| 18 |
18.4 |
18.75 |
16 7/8 |
5B184R |
R1 |
15-Arm |
4 5/32 |
2 7/8 |
1/8 |
1 |
5 3/8 |
7/8 |
2 |
9/32 |
54.0 |
|
| 19.5 |
20 |
20.35 |
18 1/2 |
5B200R |
R1 |
15-Arm |
4 5/32 |
2 7/8 |
1/8 |
1 |
5 3/8 |
7/8 |
2 |
9/32 |
64.0 |
|
| 24.5 |
25 |
25.35 |
23 1/2 |
5B250R |
R1 |
15-Arm |
4 5/32 |
2 7/8 |
1/8 |
1 |
5 3/8 |
7/8 |
|
|
|
|
|
|
|
|
|
|
|
|
|
|
|
|
|
|