Short pitch conveyor chain attachments
---------------------------------------

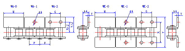
 Chain NO.
P
N
d4
G
T
X
Y
h4
mm
mm
mm
mm
mm
mm
mm
mm
40
50
60
80
100
12.70
15.875
19.05
25.40
31.75
23.00
28.80
34.60
46.10
57.70
4.50
5.50
6.60
9.00
11.00
9.50
11.90
14.30
19.10
23.80
1.50
2.03
2.42
3.25
4.00
25.40
31.80
38.10
50.80
63.50
35.60
46.80
56.40
73.20
89.80
8.00
10.30
11.90
15.90
19.80
       ISO Chain NO.
08B
10B
12B
16B
12.70
15.875
19.05
25.40
24.60
30.00
34.80
46.00
4.90
5.00
5.50
8.10
12.70
15.90
19.10
25.40
1.60
1.70
1.85
3.1/4.15
25.40
31.80
34.90
57.20
38.10
44.50
59.70
74.70
8.90
10.20
11.40
15.90
  

Chain NO.
P
N
d4
G
T
M
F
mm
mm
mm
mm
mm
mm
mm
40
50
60
80
100
12.70
15.875
19.05
25.40
31.75
23.00
28.80
34.60
46.10
57.70
4.50
5.50
6.60
9.00
11.00
9.50
11.90
14.30
19.10
23.80
1.50
2.03
2.42
3.25
4.00
12.70
15.90
18.30
24.60
31.80
17.40
23.05
26.85
35.45
44.00
       ISO Chain NO.
08B
10B
12B
16B
12.70
15.875
19.05
25.40
24.60
30.00
34.80
46.00
4.90
5.00
5.50
8.10
12.70
15.90
19.10
25.40
1.60
1.70
1.85
3.1/4.15
13.10
16.60
17.60
26.00
20.70
23.60
25.80
36.70